宏微科技推出針對汽車800V平臺和增程式混動的兩款IGBT模塊

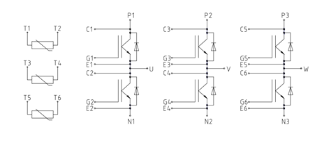
宏微科技本次推出適合汽車800V平臺電驅控制器的產品 MMG600V120X6RS,以及針對1.5L增程器70KW GCU的產品 MMG280VD075X6T7,采用宏微GV與GVD封裝,均擁有更低的通態損耗,在客戶應用工況下有著極高的效率。內部電路拓撲結構如下圖所示:

電路拓撲:三相全橋

支持長短功率端子的GV封裝(兼容HPD)
功率密度高的模塊
采用Si3N4陶瓷的低熱阻設計
低寄生電感的模塊設計
高的阻斷電壓等級
更強的三溫短路能力
應用價值:
通過HV-H3TRB的可靠性實驗
更低的Vcesat
針對目標應用對FRD進行優化,提供更強的輸出能力
Si3N4陶瓷降低熱阻,增強散熱,顯著提高應用功率
提供175℃的Tj(max)
優化設計,提升PC的次數
更低的開通電壓拖尾時間,大幅降低開通損耗
減小關斷電流拖尾時間,大幅降低關斷損耗
總結:
MMG600V120X6RS 是宏微科技針對當下汽車行業發展趨勢,提升新能源汽車充電速度和行駛能力的產品,輸出電流達380-420Arms,為客戶帶來更高的效率和更好的體驗。
MMG280VD075X6T7 
產品特點:
更小的尺寸(較HP1)
針對 GCU 設計,芯片分配更加合理
低寄生電感的模塊設計
更強的三溫短路能力
應用價值:
通過 HV-H3TRB 的可靠性實驗
更低的 Vf
針對目標應用對 FRD 進行優化,提供更強的輸出能力
提供175℃的 Tj(max)
競爭優勢:
優化設計,提升PC的次數
高的震動實驗標準,滿足AQG-324隨機震動18g要求
更低的開通電壓拖尾時間,大幅降低開通損耗
減小關斷電流拖尾時間,大幅降低關斷損耗
總結:
MMG280VD075X6T7是宏微科技針對當下電動汽車行業中增程式汽車火爆的現狀,推出的適用于70KW GCU的產品,擁有更小的體積和更強的抗震動能力,為客戶帶來更高的經濟效益和可靠性能力。