宏微科技推出125kW組串式光伏逆變器產品

宏微科技本次推出適合125kW組串式光伏逆變器的產品MMG400CF065PD6T5C/MMG450HP065PD6T5, 采用宏微GCF與GHP封裝(兼容Easy 3B / Flow2 ),均通過HV-H3TRB可靠性試驗,在客戶應用工況下有著極高的效率。

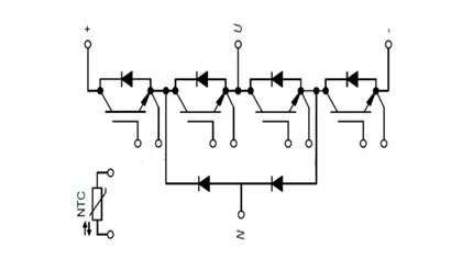
電路拓撲:NPC-I

采用焊接PIN的GCF封裝(兼容Easy3B)
功率密度高的模塊
采用Si3N4陶瓷的低熱阻設計
低寄生電感的模塊設計設計
400A 650V NPC-I 拓撲
采用G5T技術平臺芯片(對標S5)
通過HV-H3TRB的可靠性實驗
芯片技術平臺升級(5代),提高功率等級
三電平的應用,提高開關速度
內管采用快速管,兼顧兼顧無功輸出與儲能應用
Si3N4陶瓷降低熱阻,增強散熱,顯著提高應用功率(可達120KW以上)
高可靠性的封裝,鎖敷安裝TC 200次循環后模塊沒有明顯變
擁有無功輸出能力,夜間可以進行無功功率補償
電網電壓與電流產生相位差,就要求光伏逆變器擁有無功輸出能力。同時夜間對電網的無功功率補償可以得到更大的經濟收益。宏微GCF在無功輸出工況下,外管損耗比競品I小7.7%,內管損耗與競品I小16.4%。宏微產品相比于競品I在無功輸出情況下,擁有更低的芯片結溫、更高的效率。
無功輸出工況下宏微與競品I損耗對比圖

眾所周知,塑料件在溫度循環后會產生形變量,同時GCF的涂敷效果靠模塊內部頂柱與塑料件到DBC的一致的四角高度高度保障。因此這兩個位置的塑料在溫度循環后變化量的多少對模塊的鎖敷安裝有很大的影響。就實驗結果看,溫度循環后,宏微產品這兩個位置塑料長度/高度基本沒有變化,所以宏微GCF可以長期保持完美的鎖敷效果,滿足客戶長期應用。


采用焊接針的GHP封裝(兼容Flow2)
功率密度高的模塊
采用低內阻、高可靠性的的PIN針設計
低寄生電感的模塊設計設計
450A 650V NPC-I 拓撲
通過HV-H3TRB可靠性實驗
芯片并聯數少,均流效果好
三電平的應用,提高開關速度
優異的動靜態參數
低內阻、高可靠性的的PIN針,提高整機效率與長期應用的穩定性
低壓降、低動態損耗,降低整機損耗,提高系統效率
靜態:宏微靜態全面優于競品,降低導通損耗。


動態:宏微高溫動態全面優于國內競品S,開關損耗大幅降低,提高系統效率。

工況Tj=125℃, Rgon=10Ω, Rgoff=30Ω, VCC=400V下的開關總損耗對比圖
PIN針焊錫不易脫落,可靠性高
有些該封裝的競品模塊因PIN針通流能力強,材料軟,在長期使用后會出現PIN針焊錫脫落的問題。宏微GHP模塊通過1000次循環的溫度沖擊試驗,PIN針焊點無異常;即使拉拔力大于產品PIN針承受極限,焊錫也不會脫落。牢固的PIN針焊接保證了產品的長期可靠性。

MMG400CF065PD6T5C/MMG450HP065PD6T5是基于宏微先進的第五代芯片技術平臺開發的高功率密度的模塊,適用于125KW組串式光伏逆變器。這兩款模塊擁有高效率、高可靠性、高功率密度等優勢,并且還避免了因高速芯片引發的開關過程的震蕩、電壓尖峰過高等問題。宏微這兩款模塊保證了客戶整機長期穩定的運行。